آدرس:
No.233-3 Yangchenghu Road, Xixiashu Industrial Park, Xinbei District, Changzhou City, Jiangsu Province
• فرز یونیورسال برای عملیات حرارتی تمام سری مواد فولادی مناسب است. دارای طراحی ساختار شیار U است و برای هر دو زبر و تکمیل مناسب است.
• همچنین برای پردازش مواد غیر فولادی و آلومینیومی مناسب است. دارای طیف کاملی از مشخصات و مدل ها و طیف وسیعی از کاربردها است.
| خیر | قطر D | زاویه آر R | طول فلوت ال سی | طول کلی L | شانک دیا د | شمارش تیغه اف |
| NNC-2R-D1-R0.2 | 1 | 0.2 | 3 | 50 | 4 | 2 |
| NNC-2R-D1-R0.2 | 1 | 0.2 | 3 | 50 | 6 | 2 |
| NNC-2R-D1.5-R0.2 | 1.5 | 0.2 | 4 | 50 | 4 | 2 |
| NNC-2R-D1.5-R0.2 | 1.5 | 0.2 | 4 | 50 | 6 | 2 |
| NNC-2R-D2-R0.2 | 2 | 0.2 | 6 | 50 | 4 | 2 |
| NNC-2R-D2-R0.2 | 2 | 0.2 | 6 | 50 | 6 | 2 |
| NNC-2R-D2-R0.5 | 2 | 0.5 | 6 | 50 | 4 | 2 |
| NNC-2R-D2-R0.5 | 2 | 0.5 | 6 | 50 | 6 | 2 |
| NNC-2R-D3-R0.2 | 3 | 0.2 | 8 | 50 | 3 | 2 |
| NNC-2R-D3-R0.2 | 3 | 0.2 | 8 | 50 | 4 | 2 |
| NNC-2R-D3-R0.2 | 3 | 0.2 | 8 | 50 | 6 | 2 |
| NNC-2R-D3-R0.5 | 3 | 0.5 | 8 | 50 | 3 | 2 |
| NNC-2R-D3-R0.5 | 3 | 0.5 | 8 | 50 | 4 | 2 |
| NNC-2R-D3-R0.5 | 3 | 0.5 | 8 | 50 | 6 | 2 |
| NNC-2R-D4-R0.2 | 4 | 0.2 | 10 | 50 | 4 | 2 |
| NNC-2R-D4-R0.2 | 4 | 0.2 | 10 | 50 | 6 | 2 |
| NNC-2R-D4-R0.5 | 4 | 0.5 | 10 | 50 | 4 | 2 |
| NNC-2R-D4-R0.5 | 4 | 0.5 | 10 | 50 | 6 | 2 |
| NNC-2R-D4-R1 | 4 | 1 | 10 | 50 | 4 | 2 |
| NNC-2R-D4-R1 | 4 | 1 | 10 | 50 | 6 | 2 |
| NNC-2R-D5-R0.5 | 5 | 0.5 | 13 | 50 | 5 | 2 |
| NNC-2R-D5-R0.5 | 5 | 0.5 | 13 | 50 | 6 | 2 |
| NNC-2R-D5-R1 | 5 | 1 | 13 | 50 | 5 | 2 |
| NNC-2R-D5-R1 | 5 | 1 | 13 | 50 | 6 | 2 |
| NNC-2R-D6-R0.2 | 6 | 0.2 | 16 | 50 | 6 | 2 |
| NNC-2R-D6-R0.5 | 6 | 0.5 | 16 | 50 | 6 | 2 |
| NNC-2R-D6-R1 | 6 | 1 | 16 | 50 | 6 | 2 |
| NNC-2R-D8-R0.2 | 8 | 0.2 | 20 | 60 | 8 | 2 |
| NNC-2R-D8-R0.3 | 8 | 0.3 | 20 | 60 | 8 | 2 |
| NNC-2R-D8-R0.5 | 8 | 0.5 | 20 | 60 | 8 | 2 |
| NNC-2R-D8-R1 | 8 | 1 | 20 | 60 | 8 | 2 |
| NNC-2R-D10-R0.2 | 10 | 0.2 | 25 | 75 | 10 | 2 |
| NNC-2R-D10-R0.3 | 10 | 0.3 | 25 | 75 | 10 | 2 |
| NNC-2R-D10-R0.5 | 10 | 0.5 | 25 | 75 | 10 | 2 |
| NNC-2R-D10-R1 | 10 | 1 | 25 | 75 | 10 | 2 |
| NNC-2R-D10-R1.5 | 10 | 1.5 | 25 | 75 | 10 | 2 |
| NNC-2R-D10-R2 | 10 | 2 | 25 | 75 | 10 | 2 |
| NNC-2R-D12-R0.5 | 12 | 0.5 | 30 | 75 | 12 | 2 |
| NNC-2R-D12-R1 | 12 | 1 | 30 | 75 | 12 | 2 |
| NNC-2R-D12-R2 | 12 | 2 | 30 | 75 | 12 | 2 |
| NNC-2R-D12-R3 | 12 | 3 | 30 | 75 | 12 | 2 |
| NNC-2R-D16-R1 | 16 | 1 | 45 | 100 | 16 | 2 |
| NNC-2R-D16-R2 | 16 | 2 | 45 | 100 | 16 | 2 |
| NNC-2R-D16-R3 | 16 | 3 | 45 | 100 | 16 | 2 |
| NNC-2R-D20-R1 | 20 | 1 | 50 | 100 | 20 | 2 |
| NNC-2R-D20-R2 | 20 | 2 | 50 | 100 | 20 | 2 |
| NNC-2R-D20-R3 | 20 | 3 | 50 | 100 | 20 | 2 |
| مواد فرآوری شده | چدن چدن ندولار | فولاد کربنی، فولاد آلیاژی ~750N/mm² | فولاد کربنی، فولاد آلیاژی ~30HRC | فولاد پیش سخت شده، فولاد کوئنچ شده و تمپر شده ~40HRC | فولاد ضد زنگ | فولاد پیش سخت شده، فولاد کوئنچ شده و تمپر شده ~50HRC | ||||||
| قطر (میلی متر) | سرعت چرخش (دقیقه -1 ) | سرعت تغذیه (mm/min) | سرعت چرخش (دقیقه -1 ) | سرعت تغذیه (mm/min) | سرعت چرخش (دقیقه -1 ) | سرعت تغذیه (mm/min) | سرعت چرخش (دقیقه -1 ) | سرعت تغذیه (mm/min) | سرعت چرخش (دقیقه -1 ) | سرعت تغذیه (mm/min) | سرعت چرخش (دقیقه -1 ) | سرعت تغذیه (mm/min) |
| 1 | 20000 | 200 | 20000 | 200 | 20000 | 160 | 20000 | 160 | 20000 | 60 | 20000 | 120 |
| 2 | 15000 | 320 | 15000 | 320 | 15000 | 290 | 15000 | 280 | 11150 | 84 | 13000 | 180 |
| 3 | 14000 | 545 | 14000 | 545 | 13000 | 510 | 10600 | 420 | 7500 | 120 | 8500 | 330 |
| 4 | 10800 | 560 | 10800 | 560 | 10000 | 520 | 8000 | 430 | 5500 | 130 | 6500 | 335 |
| 5 | 8200 | 580 | 8200 | 580 | 7600 | 540 | 6400 | 450 | 4500 | 130 | 5000 | 355 |
| 6 | 7000 | 600 | 7000 | 600 | 6400 | 550 | 5300 | 460 | 3700 | 140 | 4200 | 360 |
| 8 | 5200 | 600 | 5200 | 600 | 4800 | 550 | 4000 | 460 | 2800 | 140 | 3200 | 365 |
| 10 | 4200 | 580 | 4200 | 580 | 3800 | 540 | 3200 | 445 | 2200 | 140 | 2500 | 350 |
| 12 | 3500 | 580 | 3500 | 580 | 3200 | 540 | 2650 | 445 | 1850 | 140 | 2100 | 350 |
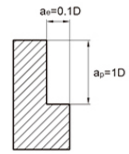
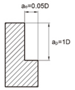
| حداکثر عمق برش | | | ||||||||||
| قطر ابزار | برنامه عمق برش | | |||||||||
∅1| 0.15D | | |||||||||||
∅3| 0.3 بعدی | | |||||||||||
1. جدول فوق مقادیر استاندارد برای ماشینکاری فرز جانبی را نشان می دهد. هنگام برش شیارها با ابزار، سرعت باید 50% تا 70% جدول بالا و نرخ تغذیه باید 40% ~ 60% به عنوان مقدار استاندارد باشد.
2. لطفا از ماشین ابزار و نگهدارنده ابزار با دقت بالا استفاده کنید.
3. لطفاً از مایع خنک کننده یا برش هوا استفاده کنید که احتمال تولید دود کمتری دارد.
4. استفاده از فرز متوالی برای فرز جانبی توصیه می شود.
هنگامی که سفتی ماشین ابزار و نصب قطعه کار ضعیف باشد، لرزش و صدای غیر عادی ممکن است رخ دهد. در این صورت، سرعت و نرخ خوراک در جدول بالا باید سال به سال کاهش یابد.
6. طول آویز ابزار را تا حد امکان بدون تداخل به حداقل برسانید.
| سری ابزار | قطر | شعاع | شعاع گوشه | طول فلوت | طول موثر | طول کلی | شانک دیا | |||
| D | آر | CR | ال سی | L1 | L | د | ||||
| فرز کاربید جهانی NNC | D0.1 ~ D0.9 | 0 -0.005 | آر0.05~R2 | /-0.005 | CR0.05~CR0.5 | /-0.005 | 0 0.2 | 0 0.3 | 0 0.5 | h5 |
| D1.0 ~ D4.0 | 0 -0.008 | 0 0.3 | 0 0.5 | |||||||
| D1.0 ~ D3.5 | 0 -0.008 | آر0.5~R1.75 | /-0.005 | CR0.1~CR0.5 | /-0.005 | 0 0.3 | 0 0.5 | 0 0.5 | h6 | |
| D4.0 ~ D11.0 | 0 -0.012 | آر2.0~R5.0 | /-0.008 | CR1.0 ~ CR3.0 | /-0.008 | 0 0.5 | ||||
| D12.0 ~ D20.0 | 0 -0.015 | آر6.0~R10.0 | /-0.01 | |||||||
آسیاب های انتهای دماغه گرد دو فلوت NNC-2R انواع ترکیبات قطر و شعاع را برای برآوردن نیازهای مختلف ماشینکاری ارائه می دهند. به عنوان مثال، مدلهای فرعی مانند NNC-2R-D1-R0.2 و NNC-2R-D1.5-R0.5 برای برش دقیق در فضاهای تنگ یا روی قطعات کوچکتر ایدهآل هستند، در حالی که اندازههای بزرگتر مانند NNC-2R-D4-R2 و NNC-2R-D6-R3 برای کاربردهای با حجم بالا یا عمیق ایدهآل هستند. طیف وسیعی از مشخصات به کاربران اجازه می دهد تا طول ابزار، قطر برش و شعاع دماغه ابزار را برای دستیابی به بهترین نتایج برای شرایط مختلف قطعه کار متعادل کنند.
این سری هندسه دماغه گرد را برای کاهش موثر تمرکز تنش در نوک ابزار و بهینهسازی مسیرهای برش و در نتیجه بهبود راندمان ماشینکاری استفاده میکند. طراحی دو لبه تخلیه تراشه در فرز جانبی را افزایش می دهد و در عین حال سطح عالی و پایداری را هنگام ماشینکاری روی منحنی ها و خطوط پیچیده حفظ می کند. لبه برش منحنی به به حداقل رساندن پچ پچ کمک می کند و کیفیت سطح عالی را حتی در شرایط تغذیه بالا و سرعت بالا تضمین می کند.
آسیاب های انتهای دماغه گرد 2 فلوت NNC-2R دارای یک ماتریس دانه ریز سخت و بدون تراشه (0.6μm) هستند که دارای زمین دقیق CNC برای ارائه کیفیت ثابت و مقاومت در برابر سایش بالا است. فناوری پوشش پیشرفته ضرایب اصطکاک را کاهش می دهد و گرما را کاهش می دهد و عمر ابزار را افزایش می دهد.
این آسیاب های انتهایی برای عملیات نیمه تکمیلی و تکمیلی بر روی مواد معمولی مانند فولاد، فولاد ضد زنگ، آلیاژهای آلومینیوم و آلیاژهای مس مناسب هستند، در حالی که می توانند مواد سخت تری مانند فولاد سخت شده و فولاد قالبی را نیز تحمل کنند.
تاسیس شرکت
کارمندان

Changzhou Maton Tools Co.,Ltd. is located in the economically developed Yangtze River Delta region.The factory is located in XixiashuHigh-tech Development Zone,a well-known tool town in China. We are 2 فلوت گرد دماغه پایان آسیاب Manufacturers.
Magotantools take the ISO9001 quality system as the standard,under the guidanceof the business philosophy of"zero defect in products"and"zero distance in service",based on the spirit of"integrity","unity"and"exploita- tion",and follow a fair and just company style for management.Product production adopts five-axisand six-axis CNC grinding and machining centers from Germany,Switzerland,Japan,etc.,and is equipped with high-precision testing equipment such as Germany,Japan,and China,so as to meet the needs of production with high quality and quantity.
The company continuously develops various high-performance CNC tools, and has won various national awards. Professional 2 فلوت گرد دماغه پایان آسیاب Company. More than 10 patents,the company's products are mainly used in the defense industry, aerospace industry,automotive industry,electronic products and molds and other fields.
The company's various products are recognized and favored by well-known domestic companies.With infinite technology,infinite creation,and pursuit of excellence,Magotan tools will write future prosperity and dreams with more extraordinary confidence and high-quality quality.
ما ظرف 12 ساعت پس از دریافت درخواست در روزهای کاری به شما پاسخ خواهیم داد.
ما تولید کننده هستیم، خودمان تولید می کنیم و می فروشیم.
We mainly produce tungsten steel milling cutters, drill bits and other hard alloy tools. Professional 2 فلوت گرد دماغه پایان آسیاب Manufacturers.
محصولات ما تقریباً کل صنعت قالب، صنایع دفاعی، صنعت هوافضا، صنعت خودرو، محصولات الکترونیکی و سایر زمینه ها را پوشش می دهند.
Yes, our main focus is on customized products. We develop and produce products based on the drawings or samples provided by customers. Custom 2 فلوت گرد دماغه پایان آسیاب.
We have over 30 units of WALTER from Germany, Makino from Japan, ROLLMATIC from Switzerland, and TTB from Switzerland, with an annual output value of 80 million RMB. We are 2 فلوت گرد دماغه پایان آسیاب Company
ابتدا، پس از هر فرآیند، بازرسی های مربوطه را انجام می دهیم. برای محصول نهایی، ما 100٪ بازرسی کامل را مطابق با الزامات مشتری و استانداردهای بین المللی انجام خواهیم داد.
سپس، ما تجهیزات پیشرفته و کامل تست درجه یک در صنعت، مانند آنالایزرهای طیفی، میکروسکوپ های متالوگرافی و غیره را در اختیار داریم، که می تواند ثبات و ثبات ابزارهای برش را تضمین کند، در حالی که نیازهای تست با دقت بالا مشتریان را برای ابزارهای برش برآورده می کند.
هنگام نقل قول، روش معامله، FOB، CIF، CNF یا گزینه های دیگر را با شما تأیید می کنیم. هنگام تولید عمده معمولا ابتدا 30 درصد پیش پرداخت می کنیم و پس از ارائه بارنامه باقی مانده را پرداخت می کنیم. ما بیشتر از T/T به عنوان روش پرداخت استفاده می کنیم، اما L/C نیز قابل قبول است.